Д132-50-10
Артикул: 4433Описание
Здесь можно ознакомиться с подробным описанием, характеристиками, маркировкой, цоколевкой, возможностью замены на аналог импортного производства, а также задать другие интересующие Вас вопросы. Цена Д132-50-10 может отличаться в зависимости от года изготовления и от производителя изделия.
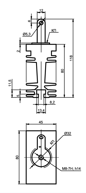
Диод марки Д132-50 используется чтобы преобразовать переменное напряжение в постоянное, пропуская через себя ток в одном направлении. Максимально допустимый средний прямой ток составляет 50А. Повторяющееся обратное напряжение 1000В. Полупроводниковый выпрямитель обладает высокой надежностью и долгим сроком службы. Диод может работать в интервале температур от -70 до 125 градусов. Масса диода Д132 составляет 27г. Для рассеивания тепла при работе диода используются охладители (радиаторы) марок: О131, О231, О331. Анодом является медное основание, катодом – жесткий вывод.
Рекомендуем посмотреть
| Марка | Цена руб. |
|---|---|
|
|
300 |
|
|
670 |
|
|
330 |
Оплата по безналичному расчету
Счета от 1000руб.Принимаем заказы на товары, не вошедшие в каталог
Оформить заявку Пришлите маркировку необходимого вам товара. Мы предоставим Вам наилучшие условия по поставке!
